Automation for air compressors
|
The project was carried out in 2002 and refers to the automation of air compressors with PLC Simatic S7-300 and HMI SCADA WinCC for monitoring, diagnosis and remote control via the internet using fiber optics and Modbus TCP protocol, widely used industrial communication protocol that enables devices to exchange data over Ethernet networks through TCP/IP protocol. The automation was made for refineries, chemical plants, electric substations, power plants etc.
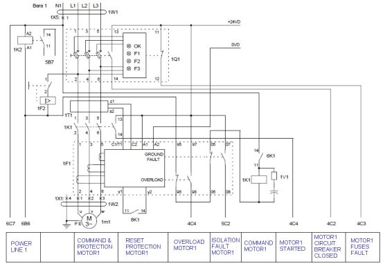
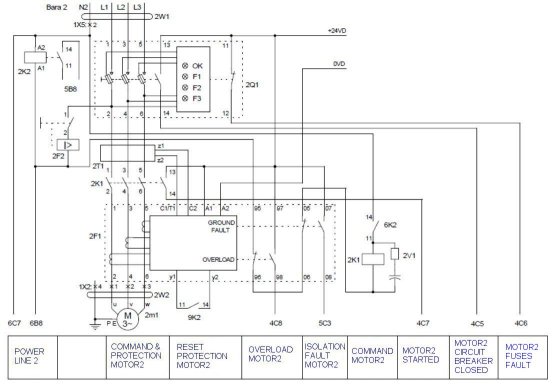
The installation subject to automation consists of two air compressors connected in parallel with check valves, which flow into a buffer tank, ensuring a maximum pressure of 10 bars. The compressors are driven by three-phase electric motors (1m1 and 2m1) with a power of 15 KW, powered by separate electrical networks (Bar1 and Bar2 respectively). The installation is sized so that a single functional compressor ensures the required compressed air flow, the second compressor being the "hot reserve". The starting mode of the motors is improved with the help of solenoid valves (6Y1 and 6Y2) which during the start-up period connect the compressor discharge to atmospheric pressure. Certain electrical and mechanical defects of the compressors are detected by measuring the temperature of the discharged air using the thermistors 10BT1 and 10BT2. The compressed air pressure in the buffer tank is measured with the 10BP1 pressure transducer. Earth-fault detection is performed by means of an external summation current transformer.
|
Figure 1 Block Diagram |
Figure 2 Automation Diagram |
Figure 3 Enclosure |
|
The functions of the automation system are:
-system controled local by PLC S7-300
-microprocessor based motor electronic protection 3RB12 with three different protection mechanisms
-local operator panel OP7 with 4 lines x 20 characters display and membrane keyboard
-communication with RS485, Ethernet and fiber optics
-remote management with SCADA for better efficiency, monitoring of the process, high-performance automatic data archiving and web-based access to data from production
-regulation of the compressed air pressure between the prescribed limits
-uniform operation of the electric motors by controlling them alternately
-starting the electric motors as smoothly as possible, reducing the load by operating the solenoid valves
-protection of the electric motors against overload, overheating, earth-fault and phase loss
-protection of the electric motors against insulation loss to ground due to condensation or water ingress
-stopping a compressor if the discharged air temperature exceeds the prescribed value
-possibility of electrical separation of each motor to allow for accidental interventions while the other motor is in operation
-local and remote signaling of the on and fault states for each compressor
-possibility of testing the functionality of the compressors through a local start command while maintaining all the protections necessary for the safety of the installation
-memorization of the number of starts and the total operating time for each compressor
-display on the local console of the following parameters: actual pressure, compressor 1 discharge air temperature, compressor 2 discharge air temperature, number of starts for each compressor, operating hours for each compressor and all prescribed parameters mentioned in the previous paragraph.
-possibility of connection to a redundant PROFIBUS network to create a
robust and reliable automation system that allows remote control in
"unmanned" mode.
-possibility of prescribing from the local console the following parameters:
-minimum pressure
-maximum pressure
-discharge air temperature
-electrovalve actuation period at start
-period after which the second compressor starts if the first compressor has not raised the pressure to the prescribed value for maximum pressure
|
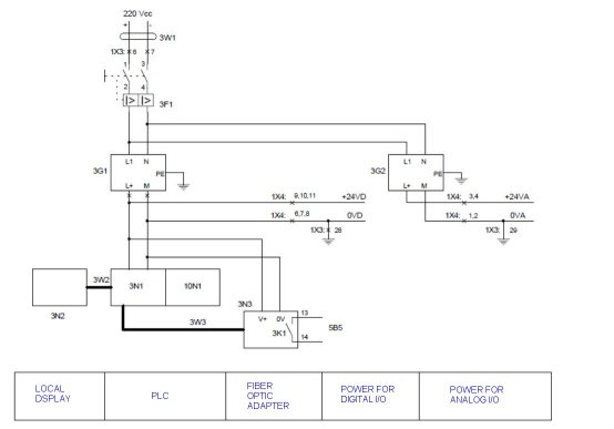
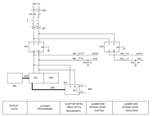
Figure 4 Schematic 1 diagram |
Figure 5 Schematic 2 Diagram |
Figure 6 Cabinet Drawing |
Figure 7 Components Panel |
|
Equipment for normal industrial environments was selected for reliability. All low-voltage equipment, including the programmable automatic switch, was provided by SIEMENS, taking into account both the quality of the products and the ease of maintenance by purchasing spare parts from a single supplier.
The cabinet is equipped with a serial communication port through which the device can be connected local to an RS-485 network, acting as a Modbus RTU slave device. For connection to the RS-485 network, it is advisable to use specialized cables, connectors, adapters and repeaters that ensure electrical isolation from other devices or power sources. There is also RS-485 to Ethernet gateways and Ethernet to Fiber Converters for remote connections.
|
Figure 8 PLC Components |
Figure 9 Parameter List |
Figure 10 RS485 Diagram |
|
Warning: Without any doubt, this project is not for amateurs and hobbyists. The components and system described in this documentation may be built, installed and operated only by personnel qualified for these specific tasks. Qualified personnel are those who, based on their training and experience, are capable of identifying risks and avoiding potential hazards when working with these products/systems. It is mandatory to follow all the applicable safety regulations for work in 400 V voltage environments.
Disclaimer: The information on this web site is provided "AS IS", without warranty of any kind.
The author has made the best efforts to ensure the design and the information provided are reliable.
Under no circumstances shall the author be liable for any direct, indirect, incidental, special
or consequential loss, damage, expense or injury incurred or suffered which is claimed
to resulted from use of this site, even if expressly advised of the possibility of
such loss, damage, expense or injury,
including, without limitation, any fault, error, omission, interruption or delay with respect thereto.
Links:
[01] - PLC S7-300
[02] - HMI WinCC
[03] - RTE24012 datasheet
[04] - OP7 Operator Panel
[05] - SM331 datasheet
[06] - SM322 datasheet
[07] - SM321 datasheet
[08] - CP343-1 datasheet
[09] - 6EP1332-1SH12 datasheet
[10] - 6GK1502 datasheet
[11] - X101-1 datasheet
[12] - 5SL6206 datasheet
[13] - 3RB1246 datasheet
[14] - 3UL2201 datasheet
[15] - Enclosures datasheet
|
|